A GCD Implementation
}Implementation Notes
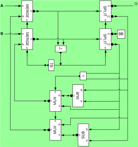
}MUXs are same as MERGEs but consume both input tokens
}TB is a token buffer
}Generates a token on initialization with configurable value
}Acts as a buffer afterwards
}FORK cells implied by branching channels (for clarity)
}All cells use pipeline handshaking
}Architectural Feature
}Contains many pipeline rings
}Single Token around the ring
}Does one GCD at a time!
}
CE-653 - Asynchronous Pipeline Performance
11/5/2014
20
Initially, TB (Token Buffer) propagates the PIs to the comparator (!=), it then becomes a token buffer…
BB is a bit bucket (dummy consumer)…

If my throughput slow, I can add pipeline buffers within the ring, so as to add bubbles (avoid token limited performance)…